We shall continuously strive to improve and upgrade the quality of products and services to meet the changing needs of our customers throughout the world.
Home // Query // Contact Us
Hindustan Chemicals

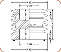
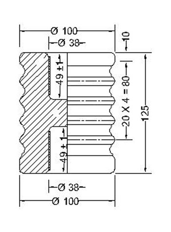
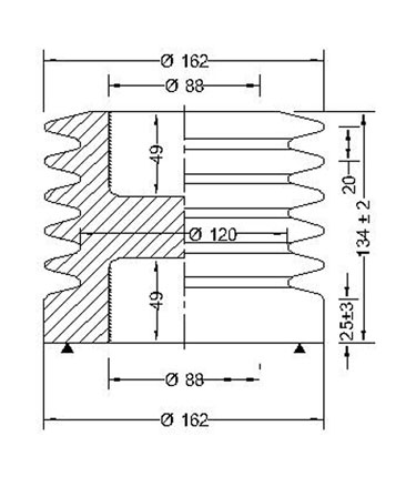
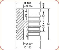
Hindustan Chemicals offers high quality Insulator that are widely ordered by worldwide buyers and industries at large. They provide cost effective solutions and promise you a long and safe product life

 
read more....
     
   
   
     
 
Products
 
Home ::: About us ::: Product ::: The Plant ::: Clientele ::: Query ::: Contact Us
Copyright © Hindustan Chemicals 2011. Site Designed & Powered by SEO Company, Website Designing Company